Унаам от албай калды. Honda Odyssey 1995. (Выезд) 22 Ноябрь

Унаам от албай калды. Honda Odyssey 1995. (Выезд) 22 Ноябрь
11:50-12:35 (с учетам времени поездки туда и обратно в СТО)
1500 сом

Арыз: Бир заматта, унаам катуу кыйналып, түтөп эптеп үйгө жетти. Унаам от албай калды.

Пред-история: Заменены сальники свечей (клиент имел ввиду свечные провода)

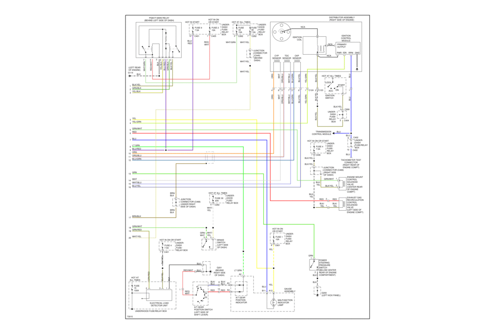
Пока ехал, нашел электросхему авто и увидел что в дистрибуторном блоке находятся: дистрибутор, катушка, сенсора и модуль зажигания(коммутатор)

Тест 0: Попытка завести неуспешна, машина вроде пыталась, но не получалось.

Тест 1: Проверка на наличие сигналов с датчиков и икраобразование

Изначально, чутье подсказывало механическую проблему. Но, сначало решил посмотреть электронику. Подключил первый канал оссциллографа к BLU и токовые клещи оссциллографа к BLK/YEL. Сделано это чтоб проверить, воспроизвести впечатление на клиента(у нас мало кто осциллографом работает) и показать ученику осциллограф.

Потом, подключил «катушка/искра тестер» и искра была в двух цилиндрах из 4.

Примечание: Во время тестов, стартер крутил через раз. (был только щелчок втягивающего без кручение стартером)

Тест 2: целостность цилиндров

Открыл крышку радиатора и понюхал. Вода пахла бензином. Признак проблем с ГБЦ. Обычно туда суют газоанализатор. Унюхать можно только «серьезные» проблемы с ГБЦ.

Вытащили свечи из цилиндров.

Причина: В четвертом, цилиндр тупо затопило.

Симптомы: Белый дым из выхлопа когда это случилось впервые. Во время тестов, стартер крутил через раз из-за «гидроудара». (был только щелчок втягивающего без кручение стартером). Не заводится машина.